德国 Schmersal 产品列表

德国Schmersal 的产品系列在防护门监控领域拥有18000 多种产品,包括安全联锁装置、施迈赛安全传感器和带有独立执行器的安全开关以及用于旋转安全防护

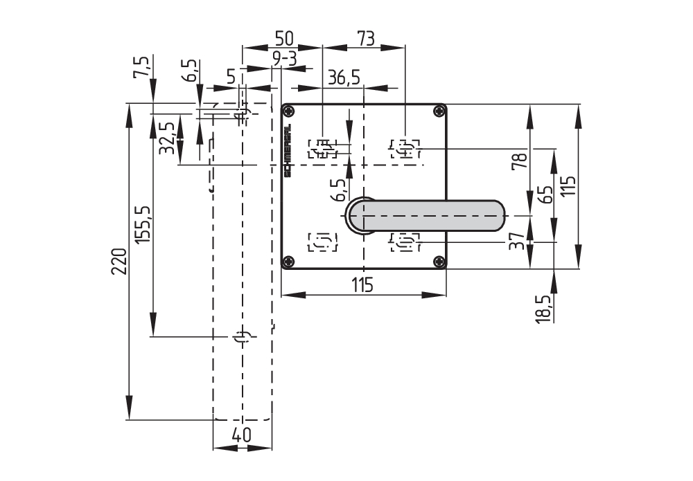
Schmersal AZ/AZM 200-B30-RTAG1P1 101178738

型号: AZ/AZM 200-B30-RTAG1P1
订货号: 101178738
  • Fluchtentriegelung mit nur einer Handbewegung, auch im spannungslosen Zustand
  • Betätiger für drehbare Schutzeinrichtung
  • mit Türerkennungssensor T
  • Einfache und intuitive Betätigung
  • Keine Verletzungsgefahr an hervorstehendem Betätiger
  • Erspart zusätzliche Türgriffe
  • ragt nicht in den Türdurchgang hinein
  • verschiedene Griffvarianten verfügbar
  • höhere mechanische Stabilität

Schmersal AZ/AZM 200-B30-RTAG1P1 101178738 基本信息

净重: 1.080 KG

Schmersal AZ/AZM 200-B30-RTAG1P1 101178738 同类型号